CYME Power Systems Analysis Software

Optimal Power Flow

 


 

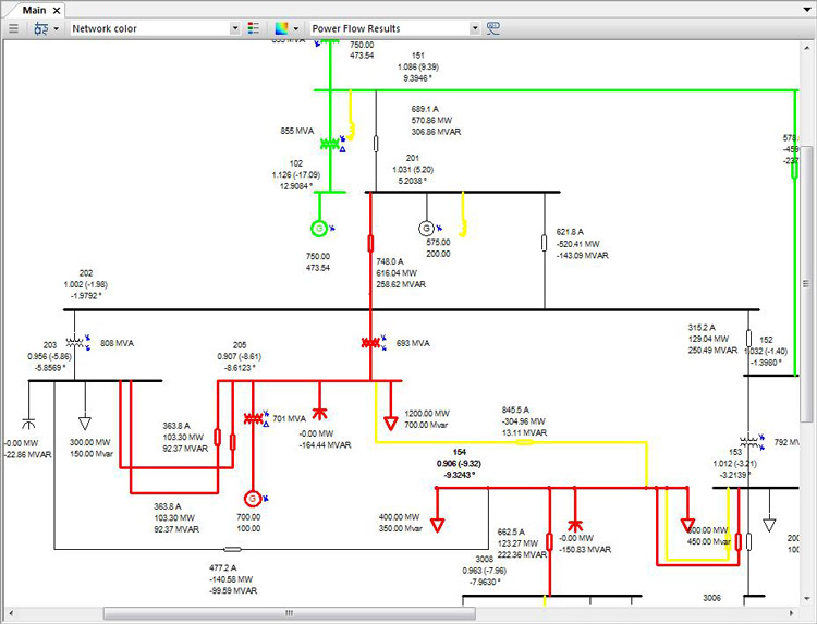
This module is designed to optimize system performance. Power flow solutions that do not contain any optimization techniques can identify a number of abnormal situations that may pose challenges for the planning engineer to resolve.

By carefully selecting the operating parameters and constraints, the CYME Optimal Power Flow Analysis module can solve the grid and any or all of these abnormal situations will be correct..